


銷售熱線:
0769-8180-2811 / 8180-2966
傳真:0769-8180-2808
業(yè)務聯(lián)系:
黃先生: 139-2949-3873 / 133-3268-3563
國內業(yè)務:
E-mail: [email protected]
投訴建議:
黃先生: 132-3837-9488
E-mail: [email protected]
郵編:523290
地址:東莞市石碣鎮(zhèn)橫滘橫嶺街10號2層,眾隆泵業(yè)


型號 | ZL38-26 | ||||||||
工作電壓范圍 | 直流:6-24伏 | ||||||||
額定功率 | 6伏:0-13瓦 / 12伏:0-13瓦 / 24伏:0-22瓦 | ||||||||
靜態(tài)揚程 | 0-7米 | ||||||||
靜態(tài)流量 | 0-7升/分鐘 | ||||||||
最大使用壽命 | 正常工作狀態(tài)下運行壽命≥20000H | ||||||||
使用工作環(huán)境 | 適用液體酸堿值:弱酸,中性,弱堿。非潛水使用 | ||||||||
最大噪音 | 正常工作狀態(tài),水泵距離測試儀1米遠<40dB | ||||||||
最高工作溫度 | 常溫使用環(huán)境下,水溶液流體介質溫度≤70℃ | ||||||||
主要用途 | 管道熱水循環(huán)、太陽能熱水器、小型噴泉、水族等 | ||||||||
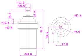
外觀尺寸 | 防護等級 | 進水口 | 出水口 | 備注 | |||||
長(毫米) | 寬(毫米) | 高(毫米) | 外徑(毫米) | 內徑(毫米) | 外徑(毫米) | 內徑(毫米) | |||
62 | 47 | 93.5 | IP67 | φ10 | φ6 | φ10 | φ6 | ||

備注:此特性曲線圖僅供參考,最終以客戶批單要求所得到的特性曲線為準

電話:0769-8180-2811
傳真:0769-8180-2808
網(wǎng)址:47511.com.cn
地址:東莞市石碣鎮(zhèn)橫滘橫嶺街10號2層,眾隆泵業(yè)